母线框(母线夹)胶木球系列  
您现在的位置: 首页 >>  产品展厅 >> PMJ2-3型绝缘母线框
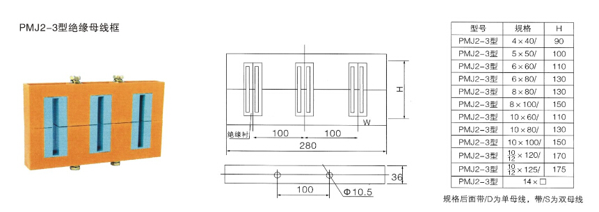
  • 产品名称: PMJ2-3型绝缘母线框
  • 上架时间: 2015-10-12

 
QQ在线客服
点击这里给我发消息
电话咨询
0577-62753651